Brewery space is always a top concern for brewers, every square foot matters. Therefore stacked tanks are being widely used among breweries.
Tiantai takes this idea further, our stacked tanks combine fermenters or brite tanks in one vertical unit, the brite tank sits on top, the fermenter sits below, together they take up the least possible floor space.
How Stacked Tanks Save Brewery Floor Space
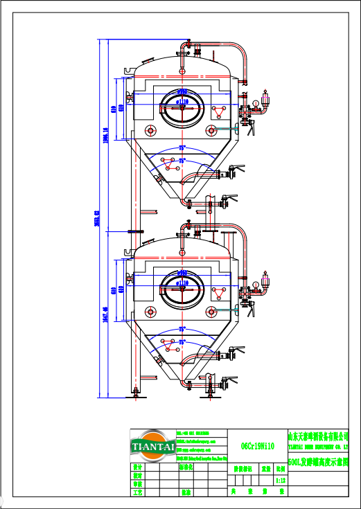
Stacked Fermenter:

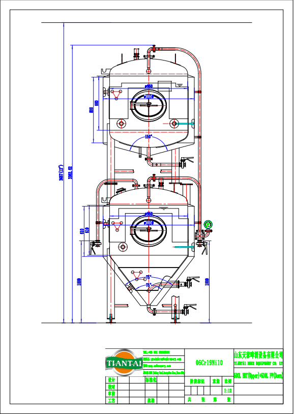
Stacked Brite Tanks:

Stacked Fermenters with Agitator:

Stacked Brite Tanks with Agitator:

Suitable For:
Brewpubs, Nano-breweries, R&D breweries.
Interested in stacked tanks for your brewery?
Contact us to find the right size for your operation:
Tiantai Brewtech
