1000L Brewery Equipment
In USA–Bent Bine Brewery. The whole 1000L Brewery project mainly includes:
–Grain Milling Unit
–Flexible Auger
–Brewhouse Unit [MLT+KWT+20HL HLT] , direct fire heating, with herms device.
–3x2000L Fermentation Tank
–2x1000L Fermentation Tank
–3x2000L Unitank
–2x1000L Unitank
–Glycol Chilling Unit
–Controlling Unit: PLC control, with pneumatic valves
–CIP Cart Unit
–Keg Filler & Keg Rinser and so on.

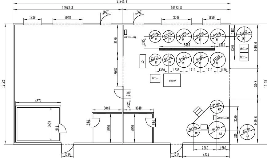
We designed the 1000L brewery equipment layout according to the site drawing.
3D drawing of the 1000L brewhouse
TIANTAI supply the 1000L brewery equipment and the installation service of the beer brewing system locally.
Brewing day in Bent Bine Brewery


Cheers to Bent Bine Brewery! 
If you are near Bent Bine Brewery, welcome to visit TIANTAI 1000L brewery equipment and enjoy beer!
TIANTAI company works for all brewery with high quality brewery equipment. We supply 2-150bbl complete brewery system including malt milling equipment, brewhouse equipment, fermenters, brite beer tanks, beer bottling machine,beer canning machine, beer kegging machine, hopping machine, yeast propagation equipment. We also supply all auxiliary brewery systems like steam heating pipe and valves, water treatment, filter, air compressor etc. Everything in brewery are all in our list. 1000L Brewery Equipment
Warmly welcome your inquiry!
Damon
E-mail: biz@cnbrewery.com
