One of the most critical decisions when starting a brewery is choosing the right brewhouse capacity. Get it wrong, and you may face production bottlenecks, or equipment that doesnāt fit.
While batch size is often the first consideration, thereās another equally important factor that many new breweries would consider–facility space.
At Tiantai, hereās how we can support you from day one:

Before Build Brewery-How to Determine the Right Brewhouse Capacity
1. Already Have a Facility
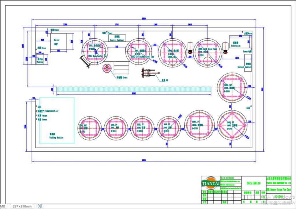
If youāve already secured a space, the first step is to understand exactly what you are working with. We recommend starting with a floor plan of your facility.
Once we receive your floor, we can:
Create a customized layout drawing that places a brewhouse system with your actual space.
Show equipment dimensions, tank spacing, and clearance requirements.
Provide recommendations based on your preferences:
| Your Priority | Our Approach |
| Maximize production capacity | Weāll propose the largest system that fits within your footprint, optimizing every square meter |
| Prioritize operator comfort | Weāll design a layout with ample working space around tanks and vesselsāideal for breweries focused on hands-on craftsmanship |
Whether you want to push the limits of your space or create a comfortable workflow, weāll tailor the layout to match your visionābefore a single piece of equipment is built.

2. Havenāt Decided a Facility Yet
If youāre still in the site selection phase, we can start with your production goals instead.
Simply share:
Your target batch size, or
Your desired monthly or annual output
Weāll then:
Design a preliminary equipment layout tailored to your capacity needs
Estimate the required floor space for the system
Provide you with a clear reference to help you evaluate potential sites
This approach allows you to shop for space with confidence–knowing exactly what kind of facility youāll need to support your production goals.

What Tiantai Provide–From Inquiry to Installation
From the very first conversation, Tiantai supports you all the technical documentation and planning assistance youāll need to move forward confidently.
We understand that every brewery is different–and the right solution isnāt just about capacity. Itās about how the equipment works within your space, your workflow, and your long-term plans.
Contact us if any questions please:
Tiantai Brewtech
